Как самостоятельно сконструировать и настроить КСВ метр на частоту 145 МГц: полезные советы и шаги по созданию устройства
Хотите создать собственный КСВ метр на частоту 145 МГц? Вам необходимо иметь некоторые навыки и знания в области радиолюбительства. В этой статье вы найдете подробную инструкцию, полезные советы и шаги, которые помогут вам создать функциональное устройство своими руками.



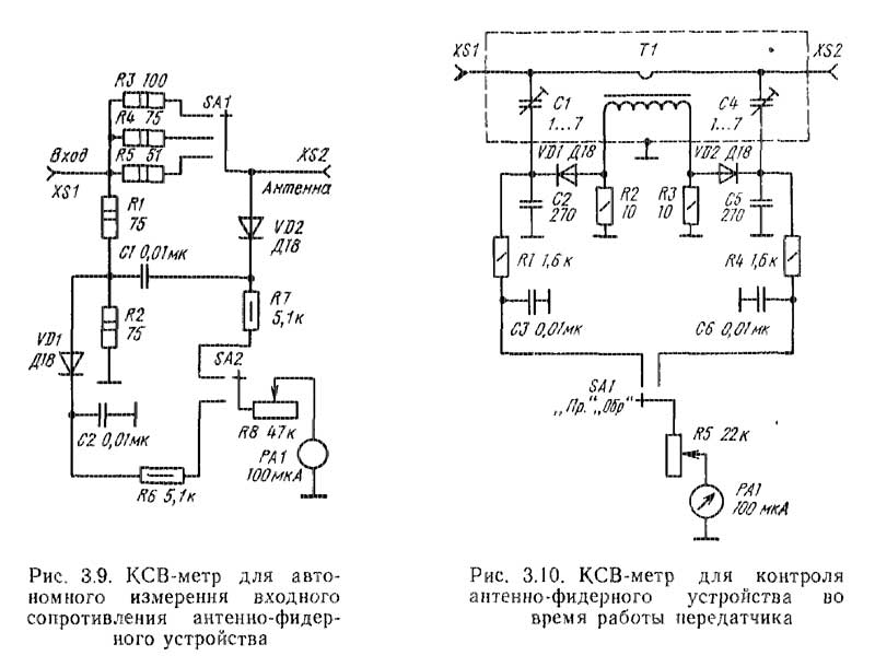
Изучите основные принципы работы и конструкцию КСВ метра на частоту 145 МГц.

Самодельный КСВ метр из 90х


Соберите необходимые инструменты и компоненты, такие как платы, конденсаторы, резисторы и разъемы.

Самодельный КСВ метр 144 -146 Мгц
Проведите предварительную проверку всех компонентов на работоспособность и целостность.

Древний КСВ метр


Следуйте схеме подключения и монтажным инструкциям для сборки устройства.

Изготовление симметрирующего трансформатора 1 : 1 (Balun) для КВ-антенн


Тщательно проверьте собранное устройство на наличие ошибок и неисправностей.

Самодельный ксв метр на 145-433 МГц для UR3QEH

Программируйте микроконтроллер и проведите необходимые настройки для работы на заданной частоте.

SWR 430 на 145 мгц


Проведите калибровку и тестирование вашего самодельного КСВ метра.

Как сделать простейший КСВ-Метр

Протестируйте устройство на измерение коэффициента стоячей волны (КСВ) и убедитесь в его работоспособности.

Осуществите финальный монтаж и закрепите устройство в удобном для вас месте.


Не забывайте обновлять и совершенствовать свой КСВ метр, следуя новым технологиям и разработкам в области радиолюбительства.

Самодельный КСВ метр от 1 МГц до 433 мгц
