Создание усилителя для машины: шаги и инструкции
Узнайте, как самостоятельно собрать и установить усилитель для автомобильной аудиосистемы. Полезные советы и подробная схема помогут вам создать качественное звучание в вашей машине.


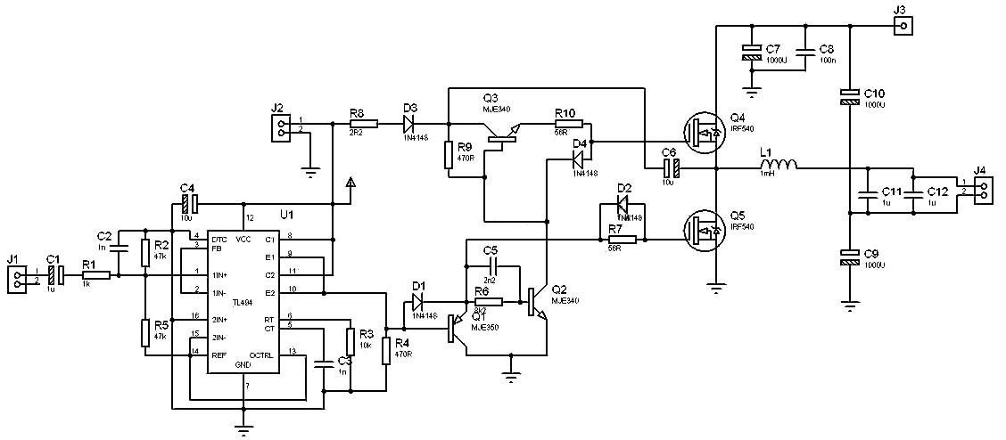
Изучите схему усилителя и разберитесь во всех компонентах.

Ламповый усилитель своими руками. Двухтактный усилитель на 6П3С


Выберите подходящую мощность и класс усилителя, учитывая требования вашей аудиосистемы.

Усилитель своими руками на TDA 7293! Часть 1
Приобретите все необходимые компоненты и инструменты.

Простой усилитель звука D-класса своими promo-macchoco.ru это работает


Будьте внимательны и аккуратны при пайке и монтаже элементов схемы.

Невероятно простая схема усилителя, качество БОМБА !

Проверьте работу усилителя после завершения сборки и внесите необходимые корректировки.

Автомобильный усилитель своими руками !


Обратите внимание на проводку и экранирование для минимизации помех и шумов.

Разместите усилитель в автомобиле таким образом, чтобы он был безопасно закреплен и не мешал водителю.

HI-FI усилитель своими руками из двух деталей

Используйте качественные аудио кабели и разъемы для подключения усилителя.

Хороший усилитель на TDA 7057 с электронной регулировкой promo-macchoco.ru своими руками.
Проведите тщательную настройку усилителя, учитывая особенности вашей автомобильной аудиосистемы.

Транзисторный усилитель 50W своими руками.

Регулярно проверяйте и поддерживайте работоспособность усилителя, чтобы сохранить качество звучания.

Усилитель Для FM Антенны Своими Руками / Amplifier For FM Antennas DIY