Блок питания для трансивера своими руками на полевиках: полезные советы и инструкции

На странице представлены полезные советы и инструкции о том, как самостоятельно создать блок питания для трансивера на полевых условиях. Эти рекомендации помогут вам избежать проблем и сэкономить время и деньги.


Используйте качественные компоненты при сборке блока питания.

Блок питания трансивера

Рассмотрите возможность использования солнечных батарей для дополнительного питания.

Как сделать двуполярный блок питания.

Не забывайте о правильном выборе проводов и соединений для минимизации потерь энергии.

Как сделать простой блок питания

Обратите внимание на мощность и надежность выбранного источника питания.

Масштабируемый регулируемый блок питания, 20-30 ампер

Проведите тестирование и проверку работы блока питания перед использованием на полевом трансивере.

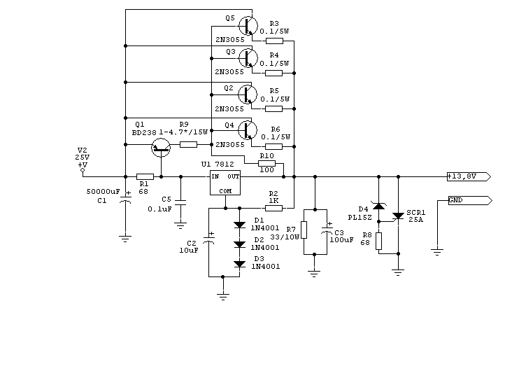
Мощный блок питания для си-би трансивера 30 ампер 13,7 вольт

Изучите спецификации и требования вашего трансивера к питанию.

ГДЕ ВЗЯТЬ ИДЕАЛЬНЫЙ ТРАНСФОРМАТОР ДЛЯ ЛАБОРАТОРНОГО БЛОКА ПИТАНИЯ

Подберите подходящий корпус или контейнер для блока питания с учетом возможных внешних воздействий.

Блок питания своими руками 12V 20A, очень простой и надежный.

При необходимости используйте дополнительные фильтры для защиты от помех и перенапряжений.

Блок питания для трансивера

Учитывайте потребляемую мощность трансивера при расчете необходимой емкости аккумулятора.

Самодельный блок питания для трансивера.

Не забывайте о безопасности при работе с электричеством и следуйте инструкциям для сборки и подключения блока питания.

Мощный самодельный блок питания для трансивера