Производство собственного клонировщика RFID ключей: полезные советы и пошаговое руководство

Хотите создать устройство для клонирования RFID ключей в домашних условиях? В этой статье вы найдете все необходимые советы и подробные инструкции, которые помогут вам справиться с этой задачей без особых усилий.


Предварительно изучите работу RFID технологии и принципы работы ключей, чтобы понять, какие компоненты и программное обеспечение понадобятся для создания дубликатора.

Дубликат ключа

Выберите надежные и качественные компоненты при покупке, чтобы обеспечить стабильную и эффективную работу вашего дубликатора RFID ключей.

14 ЗАПРЕЩЕННЫХ ГАДЖЕТОВ, КОТОРЫЕ ВЫ МОЖЕТЕ КУПИТЬ ОНЛАЙН

Тщательно следуйте инструкциям по сборке и подключению компонентов для изготовления дубликатора, чтобы избежать ошибок и проблем в дальнейшем.

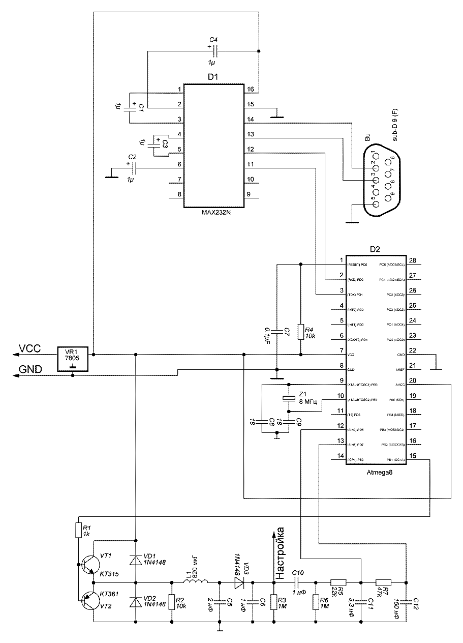
дубликатор домофонных ключей ардуино мехатрон

Следите за безопасностью при работе с компонентами и оборудованием, используйте защитные средства и соблюдайте все рекомендации производителей.

Дубликатор домофонных ключей. Универсальный. Своими руками.

Уделите внимание настройке программного обеспечения дубликатора, чтобы убедиться в его правильной работе и возможности клонирования ключей.

Дубликатор ключей домофона с дисплеем на Arduino RFID 125 kHz своими руками. v.3 Скетч и схема.

Перед началом использования дубликатора, проверьте его работоспособность на тестовых ключах, чтобы избежать ошибок и повреждения рабочих ключей.

Как сделать дубликат ключа своими руками

Обновляйте программное обеспечение и компоненты дубликатора, чтобы быть в курсе последних изменений и улучшений в технологии клонирования RFID ключей.

Чтобы избежать возможных проблем с законодательством, используйте полученные знания и дубликатор только в законных целях без нарушения чужих прав.

Как сделать дубликат ключа

Будьте аккуратны и внимательны при использовании дубликатора, чтобы избежать случайного или небрежного клонирования ключей, что может привести к серьезным последствиям и негативным последствиям.

В случае возникновения проблем или вопросов, обратитесь за помощью к специалистам или сообществу энтузиастов, чтобы получить дополнительную информацию и рекомендации.

Самодельный дубликатор домофонных ключей на arduino от METPOH \u0026 SibMan DI