Как собрать свой собственный синтезатор: процесс сборки для начинающих

Хотите создать свой собственный синтезатор? В этой статье вы найдете полезные советы и инструкции по созданию синтезатора своими руками. Мы предложим вам пошаговое руководство, которое поможет вам в создании простого синтезатора без особых усилий. Вы сможете наслаждаться новым инструментом, который вы сами сделали!


Выберите нужные инструменты и компоненты для сборки синтезатора. Рекомендуется начать с простого набора, чтобы избежать сложностей в самом начале.

Сделайте простой синтезатор SenSinth-4060 !

Изучите схему синтезатора и понимайте, как каждый компонент влияет на звук. Это поможет вам настроить синтезатор и получить желаемый звуковой эффект.

Синтезатор на ATtiny85 и SI5351

Будьте осторожны при пайке компонентов. Правильная техника пайки гарантирует надежное соединение и избежание неисправностей.

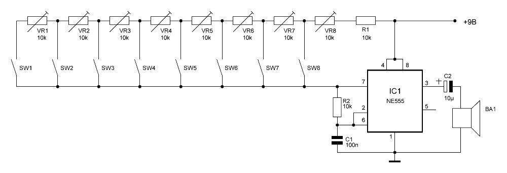
Синтезатор на NE555 своими руками.

Проверьте работоспособность каждого компонента, прежде чем приступить к сборке синтезатора. Это поможет избежать потери времени и возможных ошибок в процессе сборки.

МузАлхимия - Осциллятор из транзисторов и вольтметра своими руками!!

Подключите синтезатор к источнику питания и проверьте работу всех функций. Убедитесь, что звук воспроизводится и все регулировки работают должным образом.

Своими руками. Аналоговый синтезатор.

Используйте синтезатор в своих музыкальных экспериментах. Испытайте различные настройки и эффекты для создания уникальных звуковых композиций.

Не забывайте об обслуживании и чистке синтезатора. Регулярная проверка и устранение возможных неисправностей помогут сохранить синтезатор в хорошем состоянии.

Изучайте специализированную литературу и ресурсы, чтобы узнать больше о синтезаторах и их возможностях. Это поможет вам расширить свои знания и навыки в области создания музыки.

ПРОСТОЙ СИНТЕЗАТОР ЧАСТОТЫ СВОИМИ РУКАМИ

Электронная игрушка-клавесин, мини-синтезатор своими руками.

Не бойтесь экспериментировать и проявлять креативность. Синтезатор - это отличный инструмент для творчества, поэтому не ограничивайте себя стандартными звуками, а ищите свой уникальный стиль.

Аналоговый синтезатор своими руками. LFO.

Общайтесь с другими энтузиастами и музыкантами, чтобы получить новые идеи и вдохновение. Обмен опытом и знаниями с другими может помочь вам развить свои навыки и найти новые возможности в мире синтезаторов.

Простой DIY VCO модуль 👾 (начни сейчас и собери сам) своими руками